Today, we’re diving into the fascinating world of Leslie speakers. These iconic pieces of audio equipment have a unique way of creating sound that’s unlike anything else. From their rich history to their innovative design and digital emulations, Leslie speakers have left a significant mark on the world of music. Ready to explore? Let’s get into it!

What Is a Leslie Speaker?
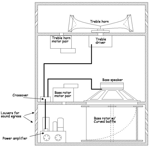
A Leslie speaker is a type of rotating speaker system originally designed to enhance the sound of electric organs. Its unique mechanism involves spinning speakers and a rotating horn, creating a distinctive, swirling sound that’s instantly recognizable. The movement of these components produces a Doppler effect, adding a dynamic, atmospheric quality to the audio.
A Brief History of Leslie Speakers
The Leslie speaker was invented by Donald Leslie in 1941. Originally intended to amplify electric organs, it quickly became known for its lush, vibrant sound. The Leslie speaker became a staple in jazz, gospel, and rock music, gaining popularity for its unique ability to add a sense of movement and dimension to the sound.
Over the decades, Leslie speakers have evolved, with various models and improvements enhancing their capabilities. Despite the advent of digital simulations, the original Leslie remains a beloved and influential piece of audio equipment.

How Does a Leslie Speaker Work?
Leslie speakers use a combination of rotating components to create their signature sound:
- Rotating Horn: The Leslie speaker features a rotating horn that disperses sound waves in a swirling motion. This rotation produces the characteristic Doppler effect, creating a sense of movement and depth.
- Rotating Bass Speaker: In addition to the horn, the Leslie also has a rotating bass speaker. The rotation of this speaker affects the low-frequency sounds, adding a rich, full quality to the audio.
- Amplification and Modulation: The interaction between the rotating components and the fixed speakers creates a complex modulation of sound waves. This results in a distinctive, spatial effect that’s hard to replicate with static speakers.


Notable Uses and Examples
Leslie speakers have been used by many famous musicians and bands, adding a unique character to their recordings and performances. Here are a few notable examples:
- Jimmy Smith: A jazz organist known for his use of the Leslie speaker to achieve a groovy, swinging sound in his performances.
- The Doors: Keyboardist Ray Manzarek utilized the Leslie speaker to create a swirling, psychedelic effect on tracks like “Riders on the Storm.”
- Stevie Winwood: Known for his work with Traffic and Blind Faith, Winwood used the Leslie speaker to enhance his organ tones, adding a distinctive vibrato and depth.
Digital Emulations of Leslie Speakers
With advancements in technology, digital emulations of Leslie speakers have become widely available. These software and hardware emulations aim to replicate the unique sound of the original Leslie speakers, offering convenience and versatility.
- Pedals and Rack Units: There are various pedals and rack-mounted units designed to emulate the Leslie effect. These devices often feature controls for adjusting the speed of the rotation and the depth of the modulation.
- Software Plugins: For those working in digital audio workstations, software plugins can emulate the Leslie effect with a high degree of accuracy. These plugins allow for detailed adjustments and integration into modern recording setups.
- Virtual Instruments: Some virtual instruments come with built-in Leslie emulation, allowing musicians to incorporate the effect into their performances without needing external hardware.

Why Use a Leslie Speaker?
Despite the availability of digital emulations, there’s still something special about the original Leslie speaker:
- Unique Sound: The rotating components produce a sound that’s difficult to replicate with static speakers, offering a rich, immersive experience.
- Historical Significance: The Leslie speaker has a storied history and has been a significant part of many classic recordings and performances.
- Tactile Experience: The physical movement of the Leslie speaker creates a tactile experience that’s hard to match with digital simulations.
Tips for Using Leslie Speakers
Here are some tips for making the most of a Leslie speaker:
- Experiment with Speed: The rotation speed of the horn and bass speaker can dramatically affect the sound. Experiment with different speeds to find the right balance for your music.
- Combine with Other Effects: Leslie speakers work well with other effects, such as reverb and delay. Combining effects can enhance the spatial quality of your sound.
- Use in Context: The Leslie speaker shines in specific musical contexts, such as jazz, gospel, and rock. Use it to complement the style and mood of your performance.
Conclusion: Embracing the Leslie Legacy
The Leslie speaker is a testament to innovative sound design and has left an indelible mark on the music world. Whether you’re drawn to the vintage charm of the original hardware or exploring the possibilities of digital emulations, the Leslie speaker offers a unique and captivating audio experience.




Leave a comment